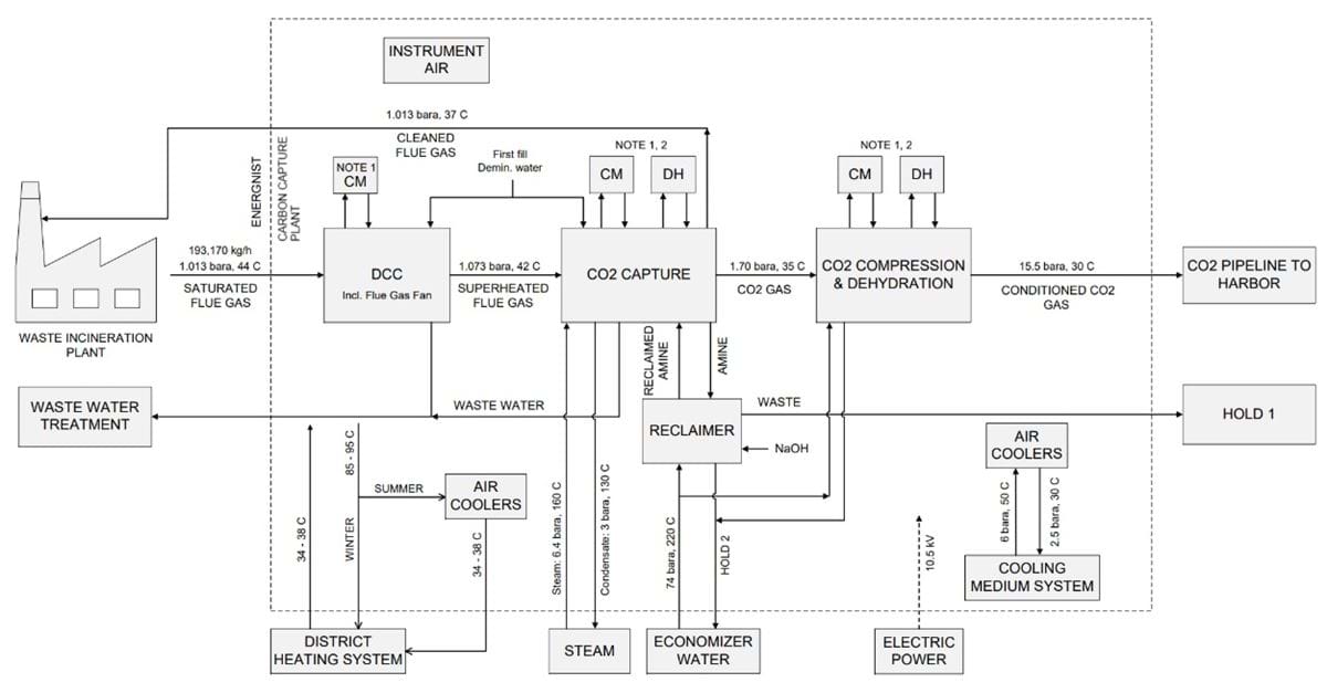
CO₂-fangstanlæg
Diagrammet for neden illustrerer en proces til fangst og lagring af CO2, og er en integreret løsning til at reducere
CO₂-udledninger ved at fange og håndtere drivhusgasser fra industrielle kilder. Processen starter med at røggas
fra en eksisterende skorsten ledes ind i en CO2-fangstenhed. Efter indledningsvis køling af røggassen ved direkte
vandvask til den ønskede driftstemperatur absorberes CO2 ved hjælp af et kemisk middel, en vandig opløsning
af amin(er). Processens arbejdsprincip er at CO2 absorberes i den vandige aminopløsning i en
modstrømsabsorber, hvorefter den absorberede CO2 strippes ud af aminopløsningen vha. En dampdrevet
temperaturøgning. Efter stripningen returneres den regenererede aminopløsning til absorberen og kører på den
måde i ring. Efter stripning komprimeres CO2 for at øge dens tryk, hvilket gør det lettere at håndtere i de
efterfølgende trin. Den komprimerede CO2 køles og dehydreres for at fjerne vand. Den tørrede CO2
transporteres igennem en nedgravet rørledning til faciliteter på Esbjerg havn, hvor den gasformige CO2
fordråbes og renses for ikke-kondenserbare gasser (N2, O2, Argon, NO) før den ledes til et mellemlager
(lagertanke) inden transport via skib til endelig injektion i undergrunden offshore.
Røggassen som er reduceret i CO2 indhold vaskes yderlige med vand i to vasketrin for at mindste udledning af
sporstoffer og nedbrydningsprodukter som f.eks. aminer og ammoniak inden den returneres til den eksisterende
skorsten og udledes til atmosfæren.
Vand og andre biprodukter fra processen behandles i et spildevandsbehandlingsanlæg. Overskudsvarme af en
vis kvalitet (temperaturafhængigt) fra processen kan genanvendes til fjernvarme ved et godkendt projektforslag, mens luftkølere anvendes til at fjerne den resterende overskudsvarme fra systemet. Et reboiler dampsystem
genopvarmer det kemiske middel, der har absorberet CO2, så det kan genbruges i fangstprocessen. Hele
systemet understøttes af tilførsel af hedt vand, frisk damp og elektrisk energi for at sikre en energieffektiv drift.

Figur 1 Diagram for en proces til fangst og lagring af CO₂.

Figur 1 Diagram for en proces til fangst og lagring af CO₂.
